고속 검출기 HSPD4018 및 HSPD4040

Fiberwdm은 국내 고객의 완전 국산화 고속 광검출기(PD) 제품 수요를 충족하기 위해 약 2년간의 연구개발 및 최적화를 거쳐 18GHz와 40GHz를 초과하는 대역폭을 가진 두 가지 고속 PD 제품을 개발했습니다. 18GHz PD는 상승 시간이 20ps 미만이고, 40GHz PD는 8.5ps 미만입니다. 이 제품들은 Finisar, Thorlabs 등의 유사 수입 제품과 비교하여 응답성이 낮지 않으며, 테일 진동 또한 잘 제어됩니다.

이 고속 검출기 시리즈는 트랜스임피던스 증폭기(TIA)를 포함하지 않으며 매우 낮은 잡음을 특징으로 합니다. 고속 통신 시스템 및 펨토초 레이저 시스템 테스트에 사용할 수 있으며, 비용 효율적인 완전 국산화 제품입니다.

Fiberwdm이 독자적으로 개발한 선형 전원 공급 장치는 과학 연구 응용 분야의 고속 검출기의 요구 사항을 완벽하게 충족할 수 있습니다.

  • 제품 상세 정보

고속 검출기 HSPD4018 및 HSPD4040

사용자 지침

1.1 외관 및 인터페이스 설명

모듈의 모양은 아래와 같습니다.

High-Speed Detectors High-Speed Detectors

그림 2-1 검출기 모듈 외관(왼쪽), 고속 베어 PD(오른쪽)

1.2 전기 사양

1. 출력 인터페이스: SMA(암) 또는 2.92mm

2. 스펙트럼 응답 범위: 1000nm–1700nm

3. 검출기 반응성: >0.7A/W @1550nm

4. 주의: 광 입력에 대한 포화 광 전력을 초과하지 마십시오.

2 성능 매개변수

2.1 고속 검출기(HSPD4018, HSPD4040)의 테스트 매개변수

모델

HSPD4018

HSPD4040

파장 범위

1000nm - 1700nm

1000nm - 1700nm

3dB 차단 대역폭

18GHz

>40GHz

전환 이득

35V/W

35V/W

포화 광전력

10mW

10mW

상승 시간(10%–90%)

<20ps

<8.5ps

일반적인 최대 반응성

>0.7A/W @1550nm

>0.7A/W @1550nm

출력 반사 계수(S22)

<-2dB

<-2dB

진폭 평탄도

<±2dB

<±2dB

Maxim 출력

0.35V

0.5V

최대 사고 전력

30mW

30mW

검출기 재료/유형

InGaAs/PIN

InGaAs/PIN

작동 온도

-40℃~85℃

-40℃~85℃

광 입력

FC/PC 또는 FC/APC

FC/PC 또는 FC/APC

전기 출력

SMA 또는 2.92mm

SMA 또는 2.92mm

전원 공급 장치

+12V/100mA

+12V/100mA

그림 3-1 전기 성능 요약

High-Speed Detectors

그림 3-2 HSPD4018 펄스 응답 곡선

High-Speed Detectors

그림 3-3 펄스 응답 곡선

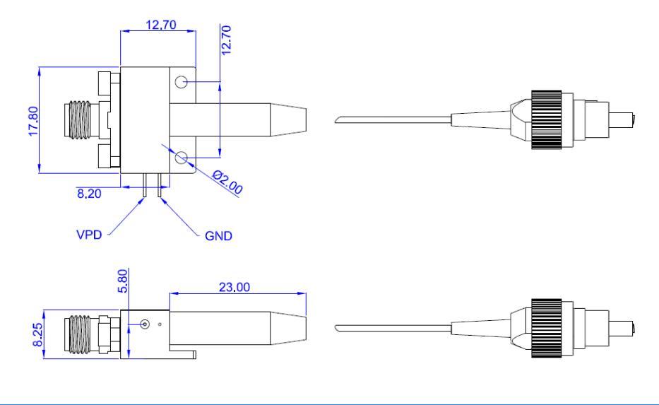
고속 검출기의 기계적 치수도

High-Speed Detectors

그림 4-1 고속 검출 모듈의 기계적 치수도

High-Speed Detectors

그림 4-2 고속 PD의 기계적 치수

이 제품에 대해 알고 싶으신가요?

보내기 메시지
메시지를 남겨주세요

IF 우리의 제품에 관심이 있으시고 자세한 내용을 알고 싶습니다. 여기에 메시지를 남겨주세요, 우리는 최대한 빨리 당신을 회신 할 것입니다.

관련 제품
 40G High Speed InGaAs Photodetector 40G 고속 InGaAs 광검출기
HSPD4040 고속 검출기 모듈은 디지털 및 아날로그 애플리케이션 모두에 적합하도록 설계되었습니다. 이 모듈에는 1250~1650nm의 응답 파장을 갖는 InGaAs PIN 포토다이오드와 필요한 매칭 전자 장치가 포함되어 있습니다. HSPD4040은 최대 40GHz의 대역폭을 제공합니다. 이 모듈은 +5V에서 작동합니다. 표준 단일 모드 9/125μm 광섬유 입력을 준수합니다. RF 출력 포트는 50Ω 임피던스에 맞춰진 2.92mm 커넥터입니다. HSPD4040은 밀폐형이며 무게는 20g 미만입니다. ROHS 2.0 인증을 받았습니다.
 High-speed detector with amplification 증폭 기능이 있는 고속 검출기
증폭 기능을 갖춘 고속 검출기의 완벽한 국산화에 대한 국내 고객의 요구를 충족하기 위해 Fiberwdm은 20GHz 이상의 대역폭을 가진 제품을 출시했습니다. 이 고속 검출기 시리즈는 증폭 기능이 내장되어 있으며 매우 낮은 잡음을 자랑합니다. 고속 통신 시스템 및 펨토초 레이저 시스템 테스트에 사용할 수 있어 비용 효율적이고 완벽한 국산화가 가능합니다. Fiberwdm은 과학 연구 분야에서 고속 검출기의 요구를 완벽하게 충족할 수 있는 선형 전원 공급 장치를 독자적으로 개발했습니다.
10G SFP+ Transceiver 10G DWDM SFP+ 100km 트랜시버
10GBASE-ZR/ZW 이더넷, Sonet OC-192/SDH, 10G 파이버 채널, DWDM 네트워크의 10Gb/s 100km DWDM SFP+ 트랜시버 애플리케이션 특징: 9.95~11.3Gb/s 비트 전송률 지원 핫 플러그 ​​가능 이중 LC 커넥터 100GHz ITU 그리드, C 밴드 DWDM EML 송신기, APD 광검출기 SMF 링크 최대 100km SFF 8472 디지털 진단 모니터링 인터페이스를 준수하는 관리 사양을 위한 2선 인터페이스 전원 공급 장치:+3.3V 전력 소비 <1.5W 온도 범위: 0~ 70°C RoHS 준수
SFP 1.25G DWDM 180KM Transceiver SFP 1.25G C17-C61 DWDM 180KM DDM 광 트랜시버
1.25G SFP 광 트랜시버 모듈, 1.25Gb/s 및 최대 180km 전송 지원 특징: 핫플러그 가능 듀플렉스 LC 커넥터 최대 1.25Gb/s 데이터 속도 100GHz ITU 그리드, C 대역 DWDM 냉각 DFB 송신기, APD 광검출기 SMF는 최대 180km를 연결합니다. SFF 8472 디지털 진단 모니터링 인터페이스를 준수하는 관리 사양을 위한 2선식 인터페이스 전원 공급 장치: +3.3V 전력 소비<1.5W 온도 범위: 0~ 70°C RoHS 준수 신청: 1G 파이버 채널 DWDM 네트워크 파이버 채널
Dual-Channel 10KHz Unit Detector PDA1000-2 듀얼 채널 10kHz 유닛 검출기
본 검출기 시리즈는 Thorlabs 및 Newport의 유닛 검출기와 기본적으로 사용 방식이 동일하며, 전원 인터페이스 또한 완전히 동일합니다. Thorlabs 및 Newport의 일부 제품에서 제공되는 모니터 출력 기능이 필요하지 않고 대역폭이 동일한 경우, 본 검출기로 직접 교체할 수 있으며, 모든 면에서 Thorlabs 및 Newport의 유사 제품과 비교해도 성능에 전혀 뒤지지 않습니다. 기존 사양의 검출기 외에도 맞춤형 서비스도 제공합니다. 고객의 요구에 맞춰 검출기의 다양한 지표(공급 전압, 게인, 대역폭 등)를 조정할 수 있습니다.
Dual fiber to Single fiber Converter 100G LR ER ZR 이중 광섬유 대 단일 광섬유 변환기
40G/100G LR4, ER4, ZR4, 이중 광섬유에서 단일 광섬유로 지원 작동 파동 1310nm(40G/100G LWDM 4 또는 CWDM 4) TX/RX LC 커넥터 , LINE sc/apc 수동 장치, 낮은 삽입 손실
10G SFP+ Transceiver SFP+ 10G BIDI 20KM 1270/1330nm 광 트랜시버
SFP+ 10G BIDI 20KM 광 트랜시버 모듈, 하나의 코어 광섬유에서 10Gb/s 및 최대 20km 전송을 지원합니다. 고속 IDC 연결 솔루션, 5G 네트워크 프런트홀 솔루션, 네트워크 스위치, PTN, OTN 등에서 작동합니다. 특징 9.95Gb/s ~ 11.3Gb/s 비트 전송률 지원 핫플러그 가능 SFP+ 풋프린트 양방향 전송을 위한 단일 LC 최대 링크 길이 20km 1270/1330 WDM 필터 내장 비냉각 1270nm 또는 1330nm CWDMD FBLaser. 전력 손실 <1.5W 참조 클럭 필요 없음 디지털 진단 기능 내장 온도 범위 0°C ~ 70°C 매우 낮은 EMI 및 우수한 ESD 보호 RoHS 준수 부품
100G Single Fiber 80km Transceiver 100Gb/s QSFP28 ZR4 BIDI 80km 트랜시버
특징 103.125Gb/s~112.2Gb/s OTU4의 회선 속도 지원 TX 및 RX에 내장된 4채널 클록 및 데이터 복구(CDR) SOA를 갖춘 LAN WDM EML 레이저 및 PIN 수신기 G.652 SMF의 경우 최대 80km 도달 거리 핫 플러그형 38핀 전기 인터페이스 QSFP28 MSA 규격 BIDI LC 광 콘센트 RoHS-10 준수 및 무연 뛰어난 EMI 성능 단일 +3.3V 전원 공급 장치 최대 소비전력 5.5W 케이스 작동 온도 상업용 : 0 ~ 70℃ 확장: -5 ~ +85℃ 응용 100GBASE-ZR4 이더넷 링크 Infiniband QDR 및 DDR 상호 연결       통신 네트워킹
메시지를 남겨주세요
메시지를 남겨주세요
IF 우리의 제품에 관심이 있으시고 자세한 내용을 알고 싶습니다. 여기에 메시지를 남겨주세요, 우리는 최대한 빨리 당신을 회신 할 것입니다.

제품

~에 대한

연락하다