QSFP112 400G BASE-SR4 850nm 100m 트랜시버
애플리케이션
특징
사양
| 매개변수 | 상징 | 단위 | 민 | 유형 | 맥스 | 노트 | 
| 송신기(차선당) | ||||||
| 차선당 신호 속도 | GBd | 53.125±100pm | ||||
| 변조 형식 | PAM4 | |||||
| 중심 파장 | nm | 844 | 850 | 863 | ||
| RMS 스펙트럼 폭 | RMS | 데시벨 | 0.6 | |||
| 차선당 평균 발사 전력 | TXPx | 데시엠 | -4.6 | 4 | ||
| 레인당 외부 광 변조 진폭 | OMA아웃터 | 데시엠 | -2.6 | 3.5 | ||
| 송신기 편차, 각 차선 | 디피엑스 | 데시벨 | 2.3 | |||
| PAM4 각 레인용 송신기 및 분산 페널티 아이 클로저 | TDECQ | 데시벨 | 4.4 | |||
| 각 레인의 Off 송신기 평균 발사 전력 | 데시엠 | -30 | ||||
| 송신기 전환 시간 | 트르、티에프 | 추신 | 17 | |||
| 광학 소멸 비율 | 응급실 | 데시벨 | 2.5 | |||
| 린 12 오마 | 데시벨/헤르츠 | -132 | ||||
| 광 반사 손실 허용 오차 | 데시벨 | 12 | ||||
| 둘러싸인 플럭스 | 19mm에서 ≥86%, 4.5mm에서 ≤30% | |||||
| 매개변수 | 상징 | 단위 | 민 | 유형 | 맥스 | 노트 | 
| 리시버(레인당) | ||||||
| 차선당 신호 속도 | GBd | 53.125±100pm | ||||
| 변조 형식 | PAM4 | |||||
| 입력 작동 파장 | nm | 842 | 948 | |||
| 레인당 피해 임계값 | 디티 | 데시엠 | 5 | |||
| 레인당 평균 수신 전력 | RXPx | 데시엠 | -6.4 | 4 | ||
| 레인당 OMAouter 전원 수신 | OMA아웃터 | 데시엠 | 3.5 | |||
| 수신기 반사율 | RFL | -12 | ||||
| 수신기 감도(OMAouter), 각 레인 | 데시엠 | -4.6 | ||||
| 스트레스 민감도(OMAouter) | 5 | 데시엠 | -2 | BER=2.4E-4 TDECQ=4.4 | ||
주문 정보
| 부품 번호 | 명세서 | 애플리케이션 | ||||||||
| 패키지 | 데이터 속도 | 원자 램프 | 광 파워 | 탐지기 | 감광도 | 온도 | 도달하다 | 기타 | ||
| RQ112-400G-SR4 | QSFP112 | 400G | VCSEL | -4.6~4dBm | 핀 | <-4.6dBm@OMA | 0~70℃ | 1억 | RoHS | 400G 베이스 SR4 | 
절대 최대 정격
| 매개변수 | 상징 | 단위 | 민 | 맥스 | 
| 보관 온도 범위 | 티에스 | ℃ | -40 | +85 | 
| 상대 습도 | RH | % | 5 | 95 | 
| 전원 공급 전압 | 비씨씨 | 다섯 | -0.5 | +4.0 | 
권장 작동 조건
| 매개변수 | 상징 | 단위 | 민 | 유형 | 맥스 | 
| 작동 케이스 온도 범위 | 티씨 | ℃ | 0 | / | 70 | 
| 전원 공급 전압 | 비씨씨 | 다섯 | 3.135 | 3.3 | 3.465 | 
광 인터페이스
  그림 1 광학 레인 시퀀스
 그림 1 광학 레인 시퀀스
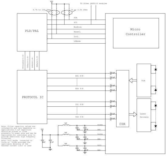
원리 다이어그램
  그림 2 모듈 원리 다이어그램
 그림 2 모듈 원리 다이어그램
전기 포트 정의
| 매개변수 | 상징 | 단위 | 민 | 유형 | 맥스 | 노트 | 
| 공급 전압 | 비씨씨 | 다섯 | 3.14 | 3.47 | ||
| 공급 전류 | 국제상공회의소(ICC) | 엄마 | 3000 | |||
| 트랜시버 전원 켜기 초기화 시간 | 엠에스 | 2000 | ||||
| 송신기 | ||||||
| 레인당 PAM4 신호 전송 속도 | 브르 | GBd | 53.125 | PAM4 | ||
| 단일 종단 입력 전압 허용 오차 | 빈티 | 다섯 | -0.3 | 4.0 | ||
| 차등 데이터 입력 스윙 | 차량등록번호 | mVp-p | 880 | |||
| 공통 모드 노이즈(RMS) | 엠비 | 17.5 | ||||
| 차동 차동 종단 저항 불일치 | % | 10 | ||||
| 수화기 | ||||||
| 레인당 PAM4 신호 전송 속도 | GBd | 53.125 | ||||
| 단일 종단 출력 전압 | VoutR | 다섯 | 0.45 | |||
| 차등 데이터 출력 스윙 | Vout,PP | mVp-p | 900 | |||
| 공통 모드 노이즈(RMS) | 엠비 | 17.5 | ||||
| 차동 차동 종단 저항 불일치 | % | 10 | ||||
| IIC 커뮤니케이션 | ||||||
| IIC 클록 주파수(고속 모드) | MHz | 1 | ||||
| 클록 스트레칭 | 우리를 | 500 | ||||
| 데이터 보관 시간 | 엔에스 | 300 | ||||
  
그림 3 전기 핀아웃 세부 정보
핀 설명
| 핀 번호 | 논리 | 상징 | 설명 | 메모 | 
| 1 | 접지 | 지면 | 1 | |
| 2 | CML-1 | Tx2n | 송신기 반전 데이터 입력 | |
| 3 | CML-1 | Tx2p | 송신기 비반전 데이터 출력 | |
| 4 | 접지 | 지면 | 1 | |
| 5 | CML-1 | Tx4n | 송신기 반전 데이터 입력 | |
| 6 | CML-1 | Tx4p | 송신기 비반전 데이터 출력 | |
| 7 | 접지 | 지면 | 1 | |
| 8 | LVTTL-I | 모드셀 | 선택하다 | |
| 9 | LVTTL-I | 리셋L | 다시 놓기 | |
| 10 | VccRx | +3.3V 전원 공급 수신기 | 2 | |
| 11 | LVCOMS-I/O | 에스씨엘 | 2선 직렬 인터페이스 클록 | |
| 12 | LVCOMS-I/O | 제칠일안식일예수재림교단 | 2-Wire 직렬 인터페이스 데이터 | |
| 13 | 접지 | 지면 | 1 | |
| 14 | CML-0 | 처방전 3부제 | 수신기 비반전 데이터 출력 | |
| 15 | CML-0 | Rx3n | 수신기 반전 데이터 출력 | |
| 16 | 접지 | 지면 | 1 | |
| 17 | CML-0 | 처방전 1장 | 수신기 비반전 데이터 출력 | |
| 18 | CML-0 | 처방전 | 수신기 반전 데이터 출력 | |
| 19 | 접지 | 지면 | 1 | |
| 20 | 접지 | 지면 | 1 | |
| 21 | CML-0 | Rx2n | 수신기 반전 데이터 출력 | |
| 22 | CML-0 | 처방전2페이지 | 수신기 비반전 데이터 출력 | |
| 23 | 접지 | 지면 | 1 | |
| 24 | CML-0 | Rx4n | 수신기 반전 데이터 출력 | |
| 25 | CML-0 | Rx4p | 수신기 비반전 데이터 출력 | |
| 26 | 접지 | 지면 | 1 | |
| 27 | LVTTL-0 | 모드프르슬 | 현재의 | |
| 28 | LVTTL-0 | 국제/순환로 | 인터럽트/선택적 RxLOS | |
| 29 | VccTx | +3.3V 전원 공급 장치 송신기 | 2 | |
| 30 | Vcc1 | +3.3V 전원 공급 장치 | 2 | |
| 31 | LVTTL-I | LPMode/TxDis | 저전력 모드/선택적 TX 비활성화 | |
| 32 | 접지 | 지면 | 1 | |
| 33 | CML-1 | Tx3p | 송신기 반전 데이터 입력 | |
| 34 | CML-1 | Tx3n | 송신기 비반전 데이터 출력 | |
| 35 | 접지 | 지면 | 1 | |
| 36 | CML-1 | Tx1p | 송신기 반전 데이터 입력 | |
| 37 | CML-1 | 거래1n | 송신기 비반전 데이터 출력 | |
| 38 | 접지 | 지면 | 1 | |
| 39 | 접지 | 지면 | 1 | |
| 40 | CML-1 | Tx6n | 송신기 반전 데이터 입력 | |
| 41 | CML-1 | Tx6p | 송신기 비반전 데이터 출력 | |
| 42 | 접지 | 지면 | 1 | |
| 43 | CML-1 | Tx8n | 송신기 반전 데이터 입력 | |
| 44 | CML-1 | Tx8p | 송신기 비반전 데이터 출력 | |
| 45 | 접지 | 지면 | 1 | |
| 46 | 예약된 | 향후 사용을 위해 | 3 | |
| 47 | VS1 | 모듈 공급업체별 1 | 3 | |
| 48 | VccRx1 | +3.3V 전원 공급 수신기 | 2 | |
| 49 | VS2 | 모듈 공급업체별 2 | 3 | |
| 50 | VS3 | 모듈 공급업체별 3 | 3 | |
| 51 | 접지 | 지면 | 1 | 
참고사항:
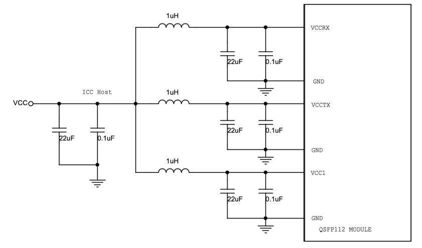
1. GND는 QSFP112 모듈의 신호 및 공급(전력) 공통을 나타내는 기호입니다. 모두 QSFP112 모듈 내에서 공통이며, 달리 명시되지 않는 한 모든 전압은 이 전위를 기준으로 합니다. 이들을 호스트 보드 신호 공통 접지면에 직접 연결합니다. 2. Vcc Rx, Vcc1 및 Vcc Tx는 수신기 및 송신기 전원 공급 장치이며 동시에 적용해야 합니다. 호스트 에지 카드 커넥터의 호스트 측에 대해 정의된 요구 사항은 표 4에 나와 있습니다. 권장되는 호스트 보드 전원 공급 장치 필터링은 그림 4에 나와 있습니다. Vcc Rx, Vcc1 및 Vcc Tx는 QSFP112 모듈 내에서 어떤 조합으로든 내부적으로 연결될 수 있습니다. 커넥터 핀은 각각 최대 1.5A의 전류 정격을 갖습니다(15-20W의 높은 모듈 전력에는 최대 2.0A의 전류가 필요함).
모듈 메모리 맵
  
  
그림 4 디지털 진단 메모리 맵
호스트 보드 전원 공급 장치 필터링
호스트의 필터 네트워크에서 발생하는 모든 전압 강하는 호스트 DC 설정점 정확도 사양에 반영됩니다. 호스트 에지 카드 커넥터에서 필요한 전압을 유지하려면 DC 저항이 0.1Ω 미만인 인덕터를 사용해야 합니다. 그림 5는 제안된 트랜시버/호스트 인터페이스입니다.
  
그림 5 권장 호스트 보드 전원 공급 장치 필터링
패키지 개요
  
이 제품에 대해 알고 싶습니까?
IF 우리의 제품에 관심이 있으시고 자세한 내용을 알고 싶습니다. 여기에 메시지를 남겨주세요, 우리는 최대한 빨리 당신을 회신 할 것입니다.