100G QSFP28 10km PSM4 트랜시버

100G QSFP28 10km PSM4 트랜시버

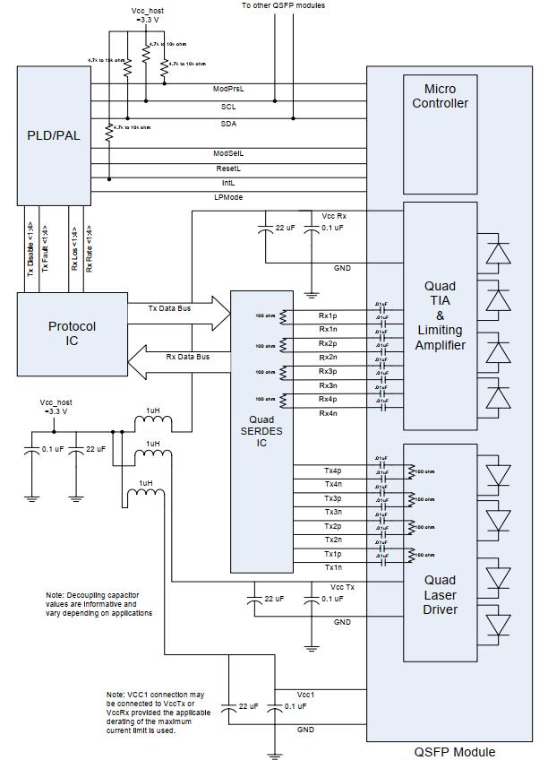
RQ-100G-PSM4 QSFP28 광 트랜시버는 4레인 25.78125G 데이터 전송 속도로 최대 10km 거리의 통신 서비스를 위해 설계되었습니다. 3.3V DC 전원을 사용하며 상용 온도 범위에서 작동합니다. QSFP MSA, SFF-8436, SFF-8636 및 PSM4 MSA 규격을 준수합니다. I2C 인터페이스를 통해 디지털 진단 기능을 사용할 수 있으며, 호스트의 LVTTL 인터페이스를 통해 제어 기능을 구현할 수 있습니다. 주요 제어 기능으로는 모듈 선택(ModSelL), 모듈 재설정(ResetL), 저전력 모드(LPMode) 등이 있습니다. 이 트랜시버는 일반적으로 DFB 방식의 4개 레이저 어레이, 4핀 다이오드 어레이, 고성능 CDR, 4개의 드라이버 및 TIA IC를 각각 내장하고 있습니다. 차동 AC 결합 방식의 송수신 데이터 인터페이스는 CML 규격을 준수합니다.

  • 제품 상세 정보

100G QSFP28 10km PSM4 트랜시버

응용 프로그램

  • 100G BASE 이더넷
  • 인피니밴드 EDR 인터커넥트
  • 기업 네트워킹

특징

  • MPO12 광 인터페이스
  • 최대 연결 길이 10km
  • 레인당 최대 25.78125Gb/s의 데이터 링크 속도
  • +3.3V 전원 공급
  • QSFP MSA 준수 패키지
  • 핫 플러그 가능
  • 고성능 신호 모드 DML 송신기
  • 고감도 PIN/TIA 광 수신기
  • 단일 모드 작동
  • BER < 5E-5@-12.5dBm(OMA)
  • 내장 CDR
  • 케이스 작동 온도: 0~70ºC
  • 데이터 및 제어 인터페이스
  • Tx 데이터 CML/AC 결합
  • Rx 데이터 CML/AC 결합
  • ModSelL LVTTL
  • 리셋L LVTTL
  • ModPrsL LVTTL
  • LP모드 LVTTL
  • 2선식 I2C 통신 버스
  • RoHS 6 규정 준수

절대 최대 매개변수

최대 허용 용량 (이 용량을 초과하면 기기에 돌이킬 수 없는 손상이 발생할 수 있습니다.)

매개변수

상징

맥스

단위

메모

보관 온도

Tstg

-40

+95

섭씨

최대 정격 용량을 초과하면 기기에 돌이킬 수 없는 손상이 발생할 수 있습니다.

본 기기는 동시 최대 정격 부하 조건에서 작동하도록 설계되지 않았으며, 이러한 조건에서 작동할 경우 기기에 돌이킬 수 없는 손상이 발생할 수 있습니다.

케이스 작동 온도(상업용)

에게

0 +70

섭씨

상대 습도 - 보관

RHS

0 95 %

상대 습도 - 작동 중

0 85 %

공급 전압

VCC

-0.3 3.6 다섯

작동 조건

권장 작동 조건

매개변수

상징

유형

맥스

단위

케이스 작동 온도

Tcase

0

+70

섭씨

직류 공급 전압

VCC

3.135

3.465

다섯

모듈 공급 전류

이인

1000 엄마

전기적 특성

송신기 전기적 특성

매개변수

상징

유형

맥스

단위

차등 데이터 입력 스윙

VIN

180

900

밀리볼트

Tx 차동 입력 임피던스

90 100 110

Ω

Tx 차동 출력 임피던스

주트

45 50 55

Ω

리셋L 전압 비활성화

브르

2.0

Vcc+0.3

다섯

리셋L 활성화 전압

브렌

0

0.8

다섯

ModSelL 전압 비활성화

Vm

2.0

Vcc+0.3

다섯

ModSelL 활성화 전압

VmEN

0

0.8

다섯

수신기 전기적 특성

매개변수

상징

유형

맥스

단위

차등 데이터 출력 스윙

바우트

180 900

밀리볼트

Rx 차동 출력 임피던스

ZOUT

90 100 110

Ω

IntL 어설트 전압

빈트

VCC-0.5

VCC+0.3

다섯

IntL 디어서트 전압

VDInt

0

+0.4

다섯

광학 사양

송신기 광학 사양

매개변수

상징

유형

맥스

단위

메모

신호 빈도 | 각 차선

25.78125±100ppm

Gbps

레인 파장

로0

1295

1310

1325

나노미터

L1

1295

1310

1325

나노미터

L2

1295

1310

1325

나노미터

L3

1295

1310

1325

나노미터

측면 모드 억제 비율

SMSR

30

dB

총 평균 발사 출력

프톨

8.0

dBm

평균 출발 출력 | 각 레인

평균

-9.4 2.0

dBm

광 변조 진폭|각 차선

오마

2.2

dBm

1

송신기 및 분산 페널티|각 차선

티디피(TDP)

2.9

dB

눈가리개 좌표:

X1, X2, X3, Y1, Y2, Y3

{0.31, 0.4, 0.45, 0.34, 0.38, 0.4}

2

OFF 송신기의 평균 발사 전력 | 각 레인

-30

dBm

멸종 비율

응급실

3.5

dB

스펙트럼 폭|20dB

1

나노미터

송신기 반사율

-12

dB

광학 반사 손실 허용 오차

20

dB

메모:

  1. TDP가 1dB 미만이더라도 OMA 최소값은 여기에 명시된 최소값을 초과해야 합니다.
  2. IEEE에 따르면 적중률은 5e-5입니다.

수신기 광학 사양

매개변수

상징

유형

맥스

단위

메모

차선별 신호 속도

25.78125±100ppm

Gbps

레인 파장

로0

1295

1310

1325

나노미터

L1

1295

1310

1325

나노미터

L2

1295

1310

1325

나노미터

L3

1295

1310

1325

나노미터

피해 임계값|각 차선

THd

3.0

dBm

1

각 레인의 평균 리시브 파워

-12.66

2.0

dBm

수신기 반사율

-26

dB

민감도 OMA|각 레인[1]

-12.5

dBm

2

스트레스 수신기 감도

(OMA), 각 레인

-8.8

dBm

LOS 어설트

로사

-15.5

LOS 디어서트

LOSD

-13.5

LOS 히스테리시스

로쉬

0.5 3

수직 눈 닫기 페널티

VECP

1.9

dB

3

스트레스성 눈 J2 지터

제2

0.27

UI

스트레스성 눈 J4 지터

제4

0.39

UI

메모:

1. 수신기는 한 레인에서 이 전력 레벨을 갖는 변조된 광 입력 신호에 지속적으로 노출되더라도 손상되지 않고 견딜 수 있어야 합니다. 수신기는 이 입력 전력에서 정상적으로 작동할 필요는 없습니다.

2. 수신기 입력단에 적합성 테스트 신호를 사용하여 BER = 5e-5 BER에 대해 측정했습니다.

3. 수직 시야 폐쇄 페널티 및 스트레스 상황에서의 시야 흔들림은 스트레스 상황에서의 수신기 감도를 측정하기 위한 테스트 조건입니다. 이는 수신기의 특성이 아닙니다.

디지털 진단

모니터링 인터페이스

매개변수

상징

투기

단위

상태/참고 사항

온도

+/-3

°C

전압

VCC

+/- 5%

다섯

아이바이어스

편견

+/- 10%

엄마

Rx 파워

처방전-전력

+/-2

dBm

송신 전력

Tx-pwr

+/-2

dBm

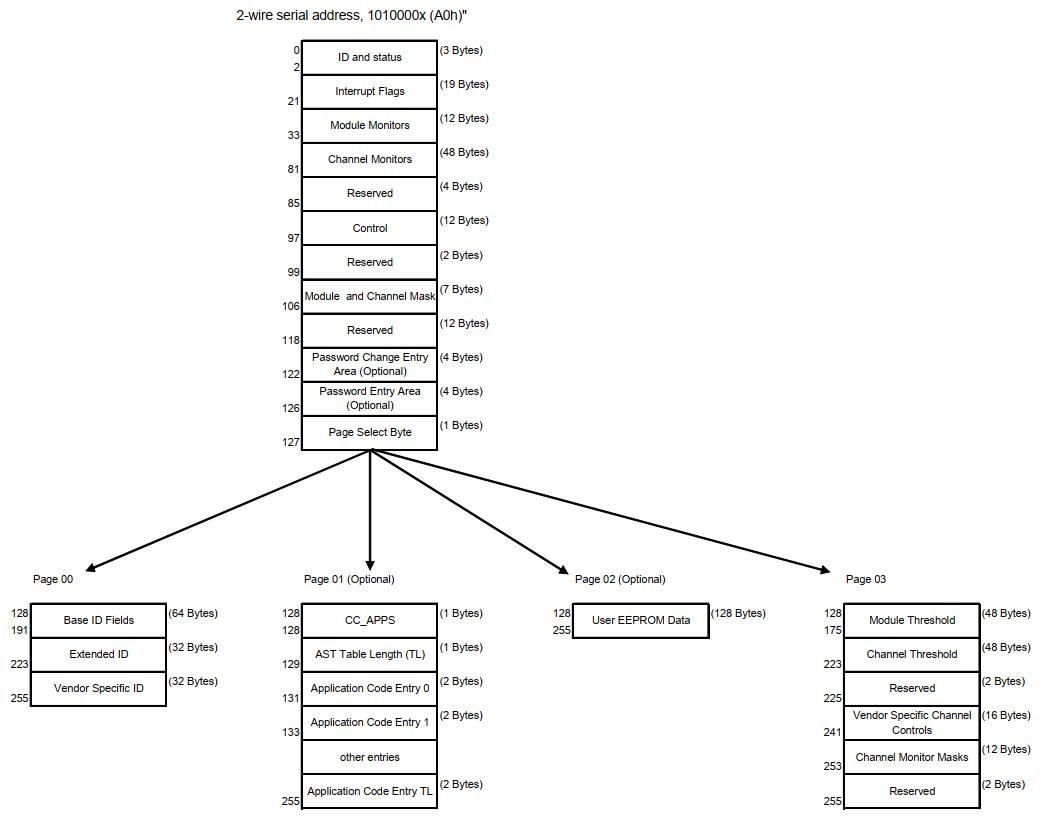
메모리 맵

100G QSFP28 10km PSM4 Transceivers

PIN 할당

100G QSFP28 10km PSM4 Transceivers

모드셀

ModSelL은 입력 핀입니다. 호스트에서 ModSelL이 로우(low)로 유지되면 모듈은 2선 직렬 통신 명령에 응답합니다. ModSelL을 사용하면 단일 2선 인터페이스 버스에서 여러 개의 QSFP 모듈을 사용할 수 있습니다. ModSelL이 하이(high)일 때 모듈은 호스트로부터의 2선 인터페이스 통신에 응답하거나 확인 응답을 보내서는 안 됩니다. 모듈에서 ModSelL 신호 입력 노드는 반드시 하이(high) 상태로 바이어스되어야 합니다. 충돌을 방지하기 위해 호스트 시스템은 QSFP 모듈이 선택 해제된 후 ModSelL이 비활성화되는 시간 동안에는 2선 인터페이스 통신을 시도해서는 안 됩니다. 마찬가지로 호스트는 새로 선택된 모듈과 통신하기 전에 최소한 ModSelL이 활성화되는 시간 동안 기다려야 합니다. 위의 타이밍 요구 사항을 충족하는 한, 서로 다른 모듈의 활성화 및 비활성화 시간은 겹칠 수 있습니다.

리셋L

QSFP 모듈에서 ResetL 핀은 Vcc로 풀업되어야 합니다. ResetL 핀에 최소 펄스 길이(t_Reset_init)보다 긴 시간 동안 로우 레벨이 유지되면 모듈이 완전히 리셋되어 모든 사용자 모듈 설정이 기본 상태로 돌아갑니다. 모듈 리셋 어서트 시간(t_init)은 ResetL 핀의 로우 레벨이 해제된 후 상승 에지에서 시작됩니다. 리셋 실행(t_init) 동안 호스트는 모듈이 리셋 인터럽트 완료를 나타낼 때까지 모든 상태 비트를 무시해야 합니다. 모듈은 Data_Not_Ready 비트가 반전된 IntL 신호를 출력하여 리셋 완료를 나타냅니다. 전원을 켤 때(핫 인서트 포함) 모듈은 리셋 없이도 리셋 완료 인터럽트를 출력해야 합니다.

모드프르슬

ModPrsL은 호스트 보드의 Vcc_Host에 풀업되고 모듈 내부에서는 접지됩니다. ModPrsL은 모듈이 호스트 커넥터에 삽입되면 "로우" 상태가 되고, 모듈이 물리적으로 제거되면 "하이" 상태가 됩니다.

국제

IntL은 출력 핀입니다. "로우" 상태일 때는 모듈 작동 오류 또는 호스트 시스템에 중요한 상태를 나타냅니다. 호스트는 2선 직렬 인터페이스를 사용하여 인터럽트의 원인을 식별합니다. IntL 핀은 오픈 컬렉터 출력이며 호스트 보드에서 호스트 전원 전압으로 풀업되어야 합니다.

LP모드

QSFP 모듈의 LPMode 핀은 Vcc로 풀업되어야 합니다. 이 기능은 LPMode 핀과 Power_over-ride 및 Power_set 소프트웨어 제어 비트(주소 A0h, 바이트 93 비트 0, 1)의 조합에 의해 영향을 받습니다. 이 모듈은 저전력 모드와 고전력 모드의 두 가지 모드를 지원합니다. 고전력 모드는 네 가지 전력 등급 중 하나로 작동합니다. 모듈이 저전력 모드일 때 최대 전력 소비량은 1.5W입니다. 이는 고전력 모듈을 냉각할 수 없는 호스트에 이러한 모듈이 실수로 삽입되는 경우를 방지하기 위한 것입니다.


모듈의 2선 직렬 인터페이스와 모든 레이저 안전 기능은 저전력 모드에서도 완벽하게 작동해야 합니다. 또한, 저전력 모드에서도 리셋 인터럽트 완료를 지원해야 합니다. 확장 식별자 비트(00h 페이지, 129바이트 6-7비트)가 1.5W 이상의 전력 소비를 나타내고 모듈이 저전력 모드인 경우, 위의 기능을 유지하면서 전력 소비를 1.5W 미만으로 줄여야 합니다. 저전력 구현의 정확한 방법은 명시되어 있지 않지만, 이 상태에서는 송신(Tx) 또는 수신(Rx) 또는 둘 다 작동하지 않을 가능성이 높습니다. 확장 식별자 비트(00h 페이지, 129바이트 6-7비트)가 전력 소비가 1.5W 미만임을 나타내는 경우, 모듈은 저전력 모드 또는 고전력 모드 여부와 관계없이 모든 기능을 정상적으로 수행해야 합니다.

LPMode 핀이 하이 상태이거나, Power_over-ride 비트가 하이 상태이고 Power_set 비트도 하이 상태이면 모듈은 저전력 모드여야 합니다. LPMode 핀이 로우 상태이거나, Power_over-ride 비트가 하이 상태이고 Power_set 비트가 로우 상태이면 모듈은 고전력 모드여야 합니다. Power_over-ride 비트의 기본값은 로우입니다.

전기 인터페이스

100G QSFP28 10km PSM4 Transceivers

권장 PCB 레이아웃

100G QSFP28 optical module 100G QSFP28 optical module

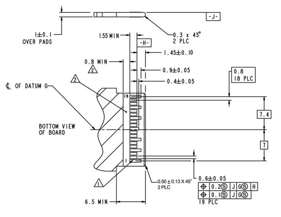
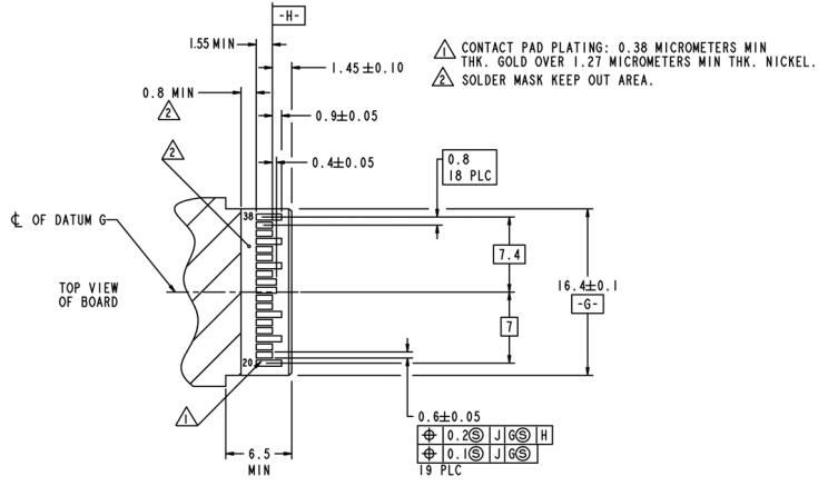
기계적 치수

100G QSFP28 optical module

참고:

1. 허용 오차: +/-0.1mm.

2. 기타는 SFF-8661 또는 고객 사양에 따릅니다.

3. 광섬유 커넥터 사양에 따른 광 포트.

경고

취급 시 주의사항:

이 기기는 정전기 방전(ESD)으로 인해 손상될 수 있습니다. 정전기가 없는 환경을 유지하는 것이 매우 중요합니다. 적절한 ESD 절차에 따라 관리하십시오.

레이저 안전:

레이저 장치에서 방출되는 방사선은 사람의 눈에 위험할 수 있습니다. 직간접적인 방사선에 눈이 노출되지 않도록 하십시오.

알아채다:

이 페이지에 제공된 정보는 제품 목표 사양을 포함하며, 해당 사양은 예고 없이 변경될 수 있습니다.

제품 업데이트, 사양 변경, 샘플 제공 여부 및 생산 출시 일정은 Litecore 영업 사무소에 문의하십시오.

이 제품에 대해 알고 싶으신가요?

보내기 메시지
메시지를 남겨주세요

IF 우리의 제품에 관심이 있으시고 자세한 내용을 알고 싶습니다. 여기에 메시지를 남겨주세요, 우리는 최대한 빨리 당신을 회신 할 것입니다.

관련 제품
100G QSFP SR4 100G QSFP28 SR4 100m 850nm MPO 광 트랜시버
100G QSFP28 SR4 100m 850nm MPO 광 트랜시버는 MM 광섬유에서 100Gb/s 및 최대 100m 전송을 지원하며 고속 IDC 연결 솔루션 등에서 작동합니다. 특징 IEEE Std 802.3bm 준수 SFF-8665 준수 전송 데이터 속도 최대 25 .78125Gbps 채널당 데이터 속도 고신뢰성 850nm VCSEL 기술 전기적으로 핫플러그 가능 단일 +3.3V 전원 공급 장치 케이스 온도 범위: 0 ~ +70℃ 최대 소비 전력 2.5W 단일 MPO12 커넥터 RoHS 불만
100G QSFP28 CWDM4 100G QSFP28 CWDM4 10km LC 광 트랜시버
100G QSFP28 CWDM4 광 트랜시버 모듈은 100Gb/s를 지원하며 SM 광섬유에서 최대 10km까지 전송 가능합니다. 고속 IDC 연결 솔루션 등에서 사용됩니다.
100G QSFP28 LR4 100G QSFP28 LR4 1310nm 10km LC 광 트랜시버
100G QSFP28 LR4 광 트랜시버 모듈은 SM 파이버에서 100Gb/s 및 최대 10km 전송을 지원하며 고속 IDC 연결 솔루션 등에서 작동합니다. 특징 4 레인 MUX/DEMUX 디자인 SMF를 통해 최대 10km까지 도달할 수 있는 통합 LAN WDM TOSA/ROSA 103.125Gbps의 회선 속도를 위한 100GBASE-ER4 및 111.81Gbps의 회선 속도를 위한 OTU4 지원 >100Gbps의 총 대역폭 이중 LC 커넥터 IEEE 802.3-2012 조항 88 표준 준수 IEEE 802.3bm CAUI-4 칩-모듈 전기 표준 ITU-T G.959.1-2012-02 표준· 단일 +3.3V 전원 공급 장치 작동 내장형 디지털 진단 기능 온도 범위 0°C ~ 70°C RoHS 준수 부품 FEC(순방향 오류 수정) 지원
100G QSFP28 ER4 100G QSFP28 ER4 40Km 1310nm LC 광 트랜시버
100G QSFP28 ER4 광 트랜시버 모듈은 SM 파이버에서 100Gb/s 및 최대 40km 전송을 지원하며 고속 IDC 연결 솔루션 등에서 작동합니다. 특징: 4 레인 MUX/DEMUX 디자인 103.125Gbps의 회선 속도를 위해 100GBASE-ER4를 지원합니다. SMF를 통해 최대 40km까지 도달할 수 있는 통합 LAN WDM TOSA/ROSA. >100Gbps의 총 대역폭 이중 LC 커넥터 IEEE 802.3-2012 조항 88 표준 IEEE 802.3bm CAUI-4 칩-모듈 전기 표준 ITU-T G.959.1-2012-02 표준 준수· 단일 +3.3V 전원 공급 장치 작동 내장형 디지털 진단 기능 온도 범위 0°C ~ 70°C RoHS 준수 부품 FEC(순방향 오류 수정) 지원
100G QSFP28 ZR4 100Gb QSFP28 ZR4 80Km 1310nm LC 광 트랜시버
100G QSFP28 ZR4 광 트랜시버 모듈은 SM 파이버에서 100Gb/s 및 최대 80km 전송을 지원하며 고속 IDC 연결 솔루션 등에서 작동합니다. 특징 4 레인 MUX/DEMUX 디자인 103.125Gbps 회선 속도용 100GBASE-ZR4 및 111.81Gbps 회선 속도용 OTU4 지원 LANWDM EML 레이저 및 PIN 수신기(SOA 포함) >100Gbps의 총 대역폭 이중 LC 커넥터 IEEE 802.3-2012 조항 88 표준 IEEE 802.3bm CAUI-4 칩-모듈 전기 표준 ITU-T G.959.1-2012-02 표준 준수· 단일 +3.3V 전원 공급 장치 작동 내장형 디지털 진단 기능 온도 범위 0°C ~ 70°C RoHS 준수 부품 FEC(순방향 오류 수정) 지원
100G LR1 10km SFP-DD 100G LR1 10km SFP-DD 광 트랜시버
100G LR1 SFP56-DD 광 트랜시버는 단일 모드 광섬유(SMF)를 통해 최대 10km 거리의 100기가비트 이더넷 링크에 사용하도록 설계되었습니다. 이 제품은 SFP56-DD MSA, IEEE802.3CU, 100G Lambda 100G LR1 및 100GAUI-2(FEC 없음)1 표준을 준수합니다. SFP56-DD MSA에 명시된 대로 I2C 인터페이스를 통해 디지털 진단 기능을 사용할 수 있습니다. 이 모듈은 1311nm 중심 파장에서 100Gbps 데이터 전송 속도로 동작하는 1채널 광 신호를 포함합니다. 이 모듈은 53Gbps(PAM4) 전기 입력 데이터 2채널을 106Gbps(PAM4) 광 신호 1채널로 변환할 수 있으며, 또한 106Gbps(PAM4) 광 신호 1채널을 53Gbps(PAM) 전기 출력 데이터 2채널로 변환할 수 있습니다. 광 인터페이스는 듀플렉스 LC 커넥터를 사용합니다. 고성능 냉각형 EML 송신기와 고감도 PIN 수신기는 최대 10km 링크에서 100기가비트 이더넷 애플리케이션에 탁월한 성능을 제공합니다.
100G QSFP28 DWDM 100G DWDM QSFP28 듀얼 CS 커넥터 PAM4 트랜시버
100G QSFP28 DWDM 광 트랜시버 모듈, 48*100gb/s DWDM 시스템 및 SM 파이버에서 최대 80km 전송 지원, 고속 IDC 연결 솔루션에서 작동.
100G QSFP28 Bidi optical transceiver 100GBASE-SR 양방향 QSFP28 850/900nm 100m DOM LC MMF 광 트랜시버 모듈
100G QSFP28 BIDI 광 트랜시버 모듈은 다중 모드 광섬유(MMF).를 사용하여 근거리 데이터 통신 및 상호 연결 애플리케이션을 위한 이중 LC 커넥터 인터페이스가 있는 플러그형 광 트랜시버로 고객에게 기존 10개를 재사용할 수 있는 강력한 솔루션을 제공합니다. 100기가비트 이더넷 연결로 마이그레이션하기 위한 gb 이중 MMF 인프라.
메시지를 남겨주세요
메시지를 남겨주세요
IF 우리의 제품에 관심이 있으시고 자세한 내용을 알고 싶습니다. 여기에 메시지를 남겨주세요, 우리는 최대한 빨리 당신을 회신 할 것입니다.

제품

~에 대한

연락하다