M1x16 자석 광섬유 광 스위치

M1x16 자석 광섬유 광 스위치

M1x16 광 스위치는 광 신호를 연결하거나 차단하여 광 경로에 연결됩니다. 이 스위치는 비기계식 구성을 가지며 전기 제어 신호를 통해 작동됩니다. 또한, 이 스위치에는 순환 및 절연 기능이 내장되어 있습니다. 이 제품은 항공우주 및 군수 장비에 널리 사용됩니다.

  • 제품 상세 정보

M1x16 자석 광섬유 광 스위치

특징

  • 솔리드 스테이트 고속
  • 높은 안정성, 높은 신뢰성
  • 광학 경로에 에폭시 없음
  • 안전장치 래칭

응용 프로그램

  • 항공우주 장비
  • 구성 가능한 추가/삭제
  • 시스템 모니터링
  • 감지 시스템

성능 사양

매개변수

단위

명세서

파장 범위

nm

1520년 ~ 1580년

테스트 파장

nm 1550

삽입 손실 1, 2

데시벨

≤ 2.0

티디엘

데시벨

≤0.30

피디엘

데시벨

≤0.20

반사 손실

데시벨

≥ 50

크로스토크

데시벨

양방향 ≥ 20

단방향 ≥ 40

반복성

데시벨

≤±0.01

전환 시간

우리를

≤100

펄스 지속 시간

우리를

≥200

내구성

사이클

≥100억

스위치 유형

해당 없음

래칭

작동 전류

엄마

≤200

최대 광 출력

mW

≤500

작동 온도

-5 ~ +70

보관 온도

영하 40도 ~ +85도

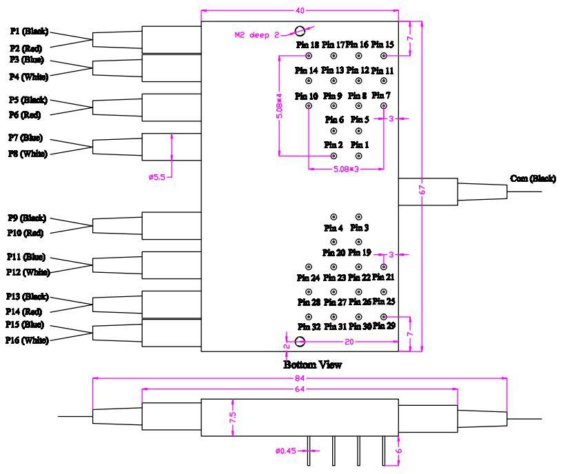
차원

mm

(길이)40.0×(폭)67×(높이)7.5 ±0.2

참고: 1 실온 및 SOP에서 테스트하세요.

2 커넥터 제외, 한 쌍의 커넥터의 경우 0.2dB입니다.

기계적 치수(단위:mm)

M1x16 Magnet Fiber Optical Switch

전기 구동

M1x16 Magnet Fiber Optical Switch

기능 다이어그램

1x16 Magnet Fiber Optical Switch

1x16 Magnet Fiber Optical Switch

주문 정보

FSW-M1x16-□-□-□-□-□-□-□

1x16 Fiber Optical Switch

이 제품에 대해 알고 싶으신가요?

보내기 메시지
메시지를 남겨주세요

IF 우리의 제품에 관심이 있으시고 자세한 내용을 알고 싶습니다. 여기에 메시지를 남겨주세요, 우리는 최대한 빨리 당신을 회신 할 것입니다.

관련 제품
China M1x1 Magnet Fiber Optical Switch M1x1 자석 섬유 광 스위치
특징 솔리드 스테이트 고속 높은 안정성, 높은 신뢰성 광학 경로에 에폭시 프리 페일 세이프 래칭 애플리케이션 항공 우주 장비 구성 가능한 추가/삭제 시스템 모니터링 감지 시스템
China M1x2 Magnet Fiber Optical Switch M1x2 자석 섬유 광 스위치
특징 솔리드 스테이트 고속 높은 안정성, 높은 신뢰성 광학 경로에 에폭시 프리 페일 세이프 래칭 애플리케이션 항공 우주 장비 구성 가능한 추가/삭제 시스템 모니터링 감지 시스템
China M2x2 Magnet Fiber Optical Switch M2x2 자석 섬유 광 스위치
특징 솔리드 스테이트 고속 높은 안정성, 높은 신뢰성 광학 경로에 에폭시 프리 페일 세이프 래칭 애플리케이션 항공 우주 장비 구성 가능한 추가/삭제 시스템 모니터링 감지 시스템
China M2x2B Magnet Fiber Optical Switch M2x2B 자기 섬유 광 스위치
특징 솔리드 스테이트 고속 높은 안정성, 높은 신뢰성 광학 경로에 에폭시 프리 페일 세이프 래칭 애플리케이션 항공 우주 장비 구성 가능한 추가/삭제 시스템 모니터링 감지 시스템
China M1x8 Magnet Fiber Optical Switch M1x8 자석 섬유 광 스위치
특징 솔리드 스테이트 고속 높은 안정성, 높은 신뢰성 광학 경로에 에폭시 프리 페일 세이프 래칭 애플리케이션 항공 우주 장비 구성 가능한 추가/삭제 시스템 모니터링 감지 시스템
China M1x4 Magnet Fiber Optical Switch M1x4 자석 섬유 광 스위치
특징 솔리드 스테이트 고속 높은 안정성, 높은 신뢰성 광학 경로에 에폭시 프리 페일 세이프 래칭 애플리케이션 항공 우주 장비 구성 가능한 추가/삭제 시스템 모니터링 감지 시스템
PLC 2.0MM 1.0M Fiber DIN Mounting Box 1x16 PLC SC/UPC 2.0mm 1.0m 광섬유 DIN 마운팅 박스 120*110*20mm
Fiberwdm의 PLC는 독자적인 실리카 유리 도파관 공정을 기반으로 개발되었으며, 소형 패키지에 정밀하게 정렬된 광섬유 피그테일을 탑재하여 소형 폼팩터와 높은 신뢰성을 갖춘 저비용 광 분배 솔루션을 제공합니다. PLC 장치는 1260nm에서 1620nm에 이르는 넓은 파장 범위에서 -40℃에서 +85℃의 온도 범위에서 작동하며, 낮은 삽입 손실, 낮은 PDL, 높은 반사 손실 및 우수한 균일성을 제공하는 고성능 제품입니다. PLC 장치는 1*4, 1*8, 1*16 및 1*32의 표준 구성뿐만 아니라 2*8, 2*16, 2*32 및 2*64의 맞춤형 구조도 제공합니다.
 Data Center Switch 48x100Ge DSFP ports and 8x400Ge QSFP-DD uplink ports DS610 데이터 센터 스위치 48x100Ge DSFP 포트 및 8x400Ge QSFP-DD 업링크 포트 DS610
제품 특징 1.성능  포트: 48개의 10/25GE, 8개의 40/100GE  2/3 레이어 와이어 스피드 포워딩  40G/100G 포트: 4x10G/4x25G 모드 지원  2. 데이터 센터 최적화 설계  각 포트는 가상 출력 큐를 지원합니다.  1+1 이중화 설계로 핫스왑 가능한 전원 공급 장치  4+1 중복 설계 핫스왑 가능 팬 모듈  쉬운 설치  3. 고성능 컨트롤러  x86 아키텍처 COM-e 모듈  ECC로 16GB DDR4 메모리 지원  256GB SSD 솔리드 스테이트 드라이브, M.2 인터페이스(SATA 버스) 지원  주변 장치를 모니터링하고 관리할 수 있는 BMC 지원  4. 시스템은 다양한 이벤트의 모니터링 및 녹화 기능을 지원합니다.  전압 모니터링, 보드 레벨 전압 모니터링 지원  온도 모니터링  재시작 이유 로그
메시지를 남겨주세요
메시지를 남겨주세요
IF 우리의 제품에 관심이 있으시고 자세한 내용을 알고 싶습니다. 여기에 메시지를 남겨주세요, 우리는 최대한 빨리 당신을 회신 할 것입니다.

제품

~에 대한

연락하다