China 200G 400G DCI supplier

PDA1000-2 듀얼 채널 10kHz 유닛 검출기

본 검출기 시리즈는 Thorlabs 및 Newport의 유닛 검출기와 기본적으로 사용 방식이 동일하며, 전원 인터페이스 또한 완전히 동일합니다. Thorlabs 및 Newport의 일부 제품에서 제공되는 모니터 출력 기능이 필요하지 않고 대역폭이 동일한 경우, 본 검출기로 직접 교체할 수 있으며, 모든 면에서 Thorlabs 및 Newport의 유사 제품과 비교해도 성능에 전혀 뒤지지 않습니다. 기존 사양의 검출기 외에도 맞춤형 서비스도 제공합니다. 고객의 요구에 맞춰 검출기의 다양한 지표(공급 전압, 게인, 대역폭 등)를 조정할 수 있습니다.

  • 제품 상세 정보

증폭형 광수신기

PDA1000-2 듀얼 채널 10kHz 유닛 검출기

사용자 지침

외관 및 인터페이스 설명

모듈의 외관은 아래 그림과 같습니다.

Dual-Channel 10KHz Unit Detector

그림 2-1 검출기 모듈 외관도

그중 왼쪽 인터페이스는 광 입력 인터페이스(FC)이고, 오른쪽 위는 전원 입력 인터페이스(M8)이며, 오른쪽 아래는 신호 출력 인터페이스(SMA)입니다.

맞춤 제작된 전원 코드는 아래 그림과 같습니다.

Dual-Channel 10KHz Unit Detector

그림 2-2 일치하는 전원 코드

사진에서 왼쪽 끝은 검출기 모듈과의 연결부이며, 오른쪽에 있는 세 개의 전원 코드 연결 방법을 나타내는 라벨이 부착되어 있습니다. 전선은 PVC 재질이며 최대 전류는 3A, 전선 굵기는 24AWG입니다. 핀 배열은 Thorlabs 및 Newport 검출기 모듈의 전원 코드와 완전히 동일하므로 서로 호환하여 사용할 수 있습니다.

전기 사용 설명서

1. 이중 전원 공급 제품: ±12V (갈색-빨간색: +12V, 검은색 선: 접지, 파란색 선: -12V). 대역폭이 300MHz 이하인 제품의 경우 최소 전원 공급 전압은 ±8V까지 가능하며 최대는 ±15V를 초과해서는 안 됩니다(검출기 라벨과 본 설명서의 내용에 불일치가 있을 경우 본 설명서의 내용이 우선합니다). 대역폭이 1GHz 이상인 제품의 경우 전원 공급 전압은 ±12V를 초과해서는 안 됩니다. 또한, 홍하이 스위칭 전원 공급 모듈 JMD10-D12를 테스트 전원 공급 모듈로 구매할 수 있습니다. 이 모듈은 실내에서 사용할 때 검출기의 성능을 보장합니다. 실외 사용 시에는 직접 평가해 주시기 바랍니다. 검출기 모듈의 정상 작동 전류는 100mA 미만입니다. 실험실 사용자는 당사의 선형 전원 공급 장치를 사용해 볼 수 있습니다.

단일 전원 공급 제품: 5V~12V (갈색-빨간색: +12V, 검은색 선: 접지, 파란색 선: 접지선). 검출기 모듈의 정상 작동 전류는 100mA 미만입니다.

2. 출력 인터페이스: SMA(암 커넥터);

3. 출력 임피던스: 50옴;

4. 최대 출력 전압:

500MHz 미만 제품: ±3.6V(@높은 임피던스), ±1.8V(@50옴);

1GHz(포함) 이상 제품: ±1V(@50ohm).

5. 스펙트럼 응답 범위: 900nm-1700nm;

6. 검출기 응답도: >0.95A/W@1550nm;

7. 광 입력 진폭은 포화 광 출력(Saturation Power)을 초과해서는 안 됩니다.

성능 매개변수

성능 테스트 지침:

1. 테스트 광원의 FC 커넥터 조건이 서로 다르기 때문에 각 검출기의 삽입 손실이 일정하지 않으며, 검출기 응답 테스트 결과가 약간씩 다를 수 있습니다.

2. 검출기의 트랜스임피던스 이득은 출력 부하가 고임피던스일 때 계산됩니다. 출력 부하가 50Ω인 경우, 이득은 공칭값의 절반으로 감소합니다.

3. 검출기 잡음 및 상승 시간 측정 결과는 다음 조건에서 얻어집니다.

a: 오실로스코프 입력 임피던스는 50Ω입니다.

b: 오실로스코프 대역폭은 전체 대역폭(≥1GHz)입니다.

c: 오실로스코프의 시간 분할은 100ns/div로 설정되어 있습니다. (참고: 시간 분할이 다르면 노이즈가 크게 달라질 수 있습니다.)

4. 시험실 온도: 23℃±5℃;

5. 시험 상대 습도: 35%±15%;

6. 테스트 작동 전압: ±12V;

유닛 검출기(PDA1055H)의 일반적인 테스트 매개변수

모델 PDA1000-2
파장 범위 900-1700nm
3dB 대역폭 10kHz
변환 이득 2.5x10 6 V/A
전체 출력 전압 잡음 1.3mVRMS
포화 전력 4.8uW
일반적인 최대 응답성 1A/W @1550nm
출력 임피던스 50옴
최대 출력 1.0V@50Ω
사고 전력(최대) 5mW
검출기 재질/유형 InGaAs/PIN
검출기 직경 75μm
광 입력 FC/PC 또는 FC/APC 또는 자유 공간
전기 출력 SMA
패키지 크기 60mm×58mm×24mm
전원 공급 요구 사항 ±12V, 50mA

그림 3-1 전기적 성능 요약

Time-domain Noise Level (Blue and red lines are the noise of the two channels respectively)

그림 3-2 시간 영역 잡음 수준 (파란색 선과 빨간색 선은 각각 두 채널의 잡음을 나타냅니다.)

Input Optical Pulse Response

그림 3-3 입력 광 펄스 응답

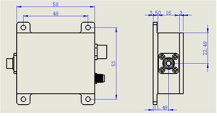
기계적 치수

Mechanical Dimension Diagram of Unit Detector Module

그림 4-1 유닛 검출기 모듈의 기계 치수 도면

단위: mm

이 제품에 대해 알고 싶으신가요?

보내기 메시지
메시지를 남겨주세요

IF 우리의 제품에 관심이 있으시고 자세한 내용을 알고 싶습니다. 여기에 메시지를 남겨주세요, 우리는 최대한 빨리 당신을 회신 할 것입니다.

관련 제품
400G QSFP-DD DOC cable 400g QSFP-DD DAC 트랜시버
QSFP-DD MSA, 최대 8x 53.125GB / S, 400g DAC 케이블 높은 신뢰성 850nm VCSEL 과학 기술전기적으로 핫 플러그 가능 저전력 소비 낮음 EMI 디자인
Avalanche Detector APD1050H 눈사태 감지기
APD 애벌랜치 포토다이오드 검출기 시리즈는 Thorlabs 및 Newport의 애벌랜치 검출기와 기본적으로 동일한 사용 방식을 가지고 있으며, 전원 인터페이스도 완전히 동일합니다. 모니터 출력(Thorlabs 및 Newport 일부 제품에서 제공)이 필요하지 않고 대역폭이 동일한 경우 직접 교체할 수 있으며, 모든 측면에서 Thorlabs 및 Newport의 유사 제품보다 성능이 떨어지지 않습니다. Fiberwdm의 APD 애벌랜치 포토다이오드 검출기는 100% 국산화되었습니다. 독자적인 온도 보상 기술을 채택하여 -40°C ~ 80°C의 전체 온도 범위에서 높은 안정성, 높은 이득, 낮은 잡음을 갖춘 고감도 검출기를 구현합니다. 기존 사양의 검출기 외에도 맞춤형 서비스를 제공합니다. 검출기의 다양한 지표(공급 전압, 이득, 대역폭 등)는 고객의 특정 요구 사항을 충족하도록 조정될 수 있습니다. 적용 분야: 레이저 레이더, 자유공간 광통신, 광섬유 감지 시스템, 광 감지 시스템 등
 100G QSFP28 O-Band DWDM 25KM  SM LC Transceiver 100G QSFP28 O-밴드 DWDM 25KM SM LC 트랜시버
RQ-100GDO25-XXXX 시리즈 단일 모드 트랜시버 모듈은 표준 G.652 단일 모드 광섬유(SMF)를 통해 최대 25km 거리의 다중 채널 100GbE 전송을 위해 설계되었습니다. 이 트랜시버는 CW-WDM MSA에서 지정한 1295.56nm~1312.58nm의 공칭 DWDM 파장에서 100Gbps의 데이터 전송 속도로 작동합니다. 이 모듈은 25Gbps(NRZ) 전기 입력 데이터 4개 채널을 100Gbps(PAM4) 광 신호 1개 채널로 변환하고, 100Gbps(PAM4) 광 신호 1개 채널을 25Gbps(NRZ) 전기 출력 데이터 4개 채널로 변환할 수 있습니다. 이 모듈의 전기 인터페이스는 OIF CEI-28G-VSR 및 QSFP28 MSA를 준수합니다. RQ-100GDO25-XXXX 시리즈 QSFP28 100G O-Band DWDM 25KM SM LC 트랜시버 DWDM 네트워킹 장비를 대도시 접속 및 코어 네트워크에 배치하도록 설계되었습니다.
980 1550 PM Filter 980/1550nm 편광 유지 필터 WDM
낮은 삽입 손실 높은 소광비 높은 채널 격리 높은 안정성과 신뢰성
Single fiber 100G DWDM MUX DEMUX 단일 파이버 20CH(40파) DWDM MUX DEMUX, RB 필터 포함
IL<3.5dB, 100GHZ DWDM MUX DEMUX, AAWG 기술 단일 파이버 Bidi 네트워크를 통한 20개 채널 다중화 장거리 적용을 위한 적색 및 청색 필터 포함 수동 장치, 전원 없음 냉각 필요 없음 메트로, 지역 및 장거리 DWDM 네트워크 지원
40G QSFP LR4 40G QSFP+ LR4 10Km 1310nm LC 광 트랜시버
40G QSFP LR4 광 트랜시버 모듈은 SM 파이버에서 40Gb/s 및 최대 10km 전송을 지원하며 고속 IDC 연결 솔루션 등에서 작동합니다. 특징 4 CWDM 레인 MUX/DEMUX 설계 채널 대역폭당 최대 11.2Gbps > 40Gbps의 총 대역폭 이중 LC 커넥터 40G 이더넷 IEEE802.3ba 및 40GBASE-LR4 표준 준수 QSFP MSA 준수 최대 10km 전송 QDR/DDR Infiniband 데이터 속도 준수 단일 +3.3V 전원 공급 장치 작동 디지털 진단 기능 내장 온도 범위 0°C ~ 70°C RoHS 준수 부품
Optical Time-Domain Reflectometer (OTDR) FW8422 광학 시간 영역 반사계(OTDR)
주요특징 최대 동적 범위는 50dB이고 데이터 샘플링 포인트는 256k입니다. PON 네트워크의 온라인 테스트. 통합된 단일 모드 및 다중 모드 테스트. 광통신 신호의 자동 모니터링. Bell core GR196 및 SR-4731의 파일 형식이 지원됩니다.
10/100/1000M External Media Converter 10/100/1000M 외부 미디어 컨버터 1*RJ45 및 1*SFP 포트(100~260V AC - DC 5V 전원 어댑터 스위치 포함)
기능적 특성 10/100/1000Mbps 적응형 RJ45 포트 위쪽 포트 중 하나는 1000Mbps SFP 파이버 포트입니다. 자동 포트 전환(자동 MDI/MDIX) 흐름 제어 모드: 전이중은 IEEE 802.3x 표준을 채택하고 반이중은 배압 표준을 채택합니다. IEEE 802.310Base-T 및 IEEE 802.3u 100/1000Base-TX 표준을 준수합니다. 저장 및 전달 전환 메커니즘이 채택되었습니다. 라인 속도는 64~9000 프레임 길이 범위에서 사용 가능
메시지를 남겨주세요
메시지를 남겨주세요
IF 우리의 제품에 관심이 있으시고 자세한 내용을 알고 싶습니다. 여기에 메시지를 남겨주세요, 우리는 최대한 빨리 당신을 회신 할 것입니다.

제품

~에 대한

연락하다