16Gbps FC DWDM SFP+ 트랜시버, C-밴드, EML, 40km 도달 거리

16Gbps FC DWDM SFP+ 트랜시버, C-밴드, EML, 40km 도달 거리

SFP+ 트랜시버는 고성능이면서 비용 효율적인 모듈로, SMF(단일 모드 광섬유)를 사용하여 16Gbps의 데이터 전송 속도와 40km의 전송 거리를 지원합니다.

송수신기는 냉각식 EML 레이저 송신기, 트랜스 임피던스 전치 증폭기(TIA)가 통합된 PIN 포토다이오드, 그리고 MCU 제어 장치의 세 부분으로 구성됩니다. 모든 모듈은 클래스 I 레이저 안전 요구 사항을 충족합니다.

해당 송수신기는 SFP 다중 소스 협약 및 SFF-8472 디지털 진단 기능과 호환됩니다.

  • 제품 상세 정보

16Gbps FC DWDM SFP+ 트랜시버, C-밴드, EML, 40km 도달 거리 RSPD-16GD40-CXX

제품 특징

  • 최대 16Gbps의 비트 전송률을 지원합니다.
  • 핫플러깅 가능한 SFP+ 풋프린트
  • DWDM EML 레이저 및 PIN 포토다이오드, SMF 전송 거리 최대 40km
  • SFP+ MSA 및 SFF-8472 규격 준수, 이중 LC 소켓 포함
  • RoHS 규격 준수
  • 단일 +3.3V 전원 공급 장치
  • 실시간 디지털 진단 모니터링
  • 작동 케이스 온도: 표준: 0 ~ +70°C

응용 프로그램

  • 4.25/8.5/16G 파이버 채널
  • 기타 광 링크

SFP+ 16G FC DWDM 40KM

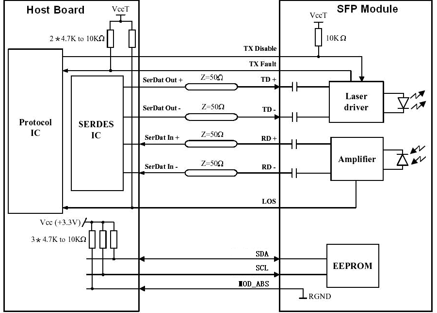
송수신기 기능 다이어그램

절대 최대 등급

매개변수 상징 맥스 단위
공급 전압 Vcc -0.5 4.5 다섯
보관 온도 -40 +85 °C
작동 습도 5 85 %

권장 작동 조건

매개변수 상징 전형적인 맥스 단위
작동 케이스 온도 티씨 0 +70 °C
전원 공급 전압 Vcc 3.135 3.30 3.465 다섯
전원 공급 전류 ICC 550 엄마
데이터 전송률 4.25 16 Gbps

광학적 및 전기적 특성

SFP+ 16G FC DWDM 40KM

참고:

1. 광 전력이 SMF(단일 모드 광섬유)로 입력됩니다.

2. PECL 입력, 내부적으로 AC 커플링 및 종단 처리됨.

3. PRBS 2로 측정 31 -1 테스트 패턴 @16000Mbps, BER ≤1×10 -12 .

4. 내부적으로 AC 커플링 방식입니다.

타이밍 및 전기

SFP+ 16G FC DWDM 40KM

iDagnostics

16G FC DWDM SFP+ Transceiver

디지털 진단 메모리 맵

송수신기는 2선 직렬 인터페이스(SCL, SDA)를 통해 직렬 ID 메모리 내용과 현재 작동 조건에 대한 진단 정보를 제공합니다.

수신 전력 모니터링, 송신 전력 모니터링, 바이어스 전류 모니터링, 공급 전압 모니터링 및 온도 모니터링을 포함하여 내부 교정 또는 외부 교정을 통한 모든 진단 정보가 구현됩니다.

디지털 진단 메모리 맵 특정 데이터 필드는 다음과 같이 정의됩니다.

16G FC DWDM SFP+ Transceiver

핀 설명

16G FC DWDM SFP+ Transceiver

SFP+ 40KM DWDM Transceiver

참고:

플러그 순서: 핫 플러깅 중 핀 체결 순서.

1) TX Fault는 오픈 컬렉터 출력이며, 호스트 보드에서 4.7kΩ~10kΩ 저항을 사용하여 2.0V~Vcc+0.3V 사이의 전압으로 풀업해야 합니다. 논리 0은 정상 작동을 나타내고, 논리 1은 레이저 관련 오류를 나타냅니다. 로우 상태일 때는 출력 전압이 0.8V 미만으로 풀업됩니다.

2) TDIS가 2.0V보다 크거나 개방된 경우 레이저 출력이 비활성화되고, TDIS가 0.8V보다 작으면 활성화됩니다.

3) LOS는 오픈 컬렉터 출력입니다. 호스트 보드에서 4.7kΩ~10kΩ 풀업 저항을 사용하여 2.0V~3.6V 사이의 전압으로 풀업해야 합니다. 논리 0은 정상 작동을 나타내고, 논리 1은 신호 손실을 나타냅니다.

4) RD-/+: 이들은 차동 수신기 출력입니다. 내부적으로 AC 커플링된 100Ω 차동 라인이며, 사용자 SERDES에서 100Ω(차동) 종단 저항으로 연결해야 합니다.

5) TD-/+: 이들은 차동 송신기 입력입니다. 모듈 내부에 AC 커플링된 차동 라인이며, 100Ω 차동 종단 저항이 있습니다.

권장 인터페이스 회로

SFP+ 40KM DWDM Transceiver

기계적 치수

16g DWDM 40km transceiver

주문 정보

RSPD-16GD40-CXX XX: 100GHz ITU 그리드 파장

16g DWDM 40km transceiver 16g DWDM 40km transceiver

이 제품에 대해 알고 싶으신가요?

보내기 메시지
메시지를 남겨주세요

IF 우리의 제품에 관심이 있으시고 자세한 내용을 알고 싶습니다. 여기에 메시지를 남겨주세요, 우리는 최대한 빨리 당신을 회신 할 것입니다.

관련 제품
SFP+ 16G DWDM 20KM Transceiver SFP+ 16G C17-C61 DWDM 20KM DDM 광 트랜시버
제품 특징 최대 14.025Gbps 비트 전송률 지원 핫플러그형 SFP+ 설치 공간 100GHz ITU, C 대역 DWDM 냉각 EML 레이저 및 PIN 포토다이오드, SMF 전송용 최대 20km 듀플렉스 LC 리셉터클이 있는 SFP+ MSA 및 SFF-8472 준수 RoHS 준수 단일 +3.3V 전원 공급 장치 실시간 디지털 진단 모니터링 작동 케이스 온도: 표준: 0 ~ +70°C 애플리케이션 4.25/8.5/14.025G 파이버 채널 기타 광학 링크
EDFA Optical Amplifier Edfa 광학 증폭기 1U 고문
저소음 그림 : 전형적인 5.0db 높은 평탄함 : 전형적인 1db 커버 전체 C- 밴드 : 캐리 40 또는 80 CHS 중복 핫 스왑 전원 모듈 : 110 / 220VAC 48VDC 믹스 할 수 있습니다완벽한 네트워크 인터페이스 : 표준 RJ45 산업 표준 인터페이스 및 SNMP. 상단 컴퓨터 소프트웨어를 제공하고, 광 증폭기 장비를 쿼리하고 설정하고 이더넷 네트워크 또는 직렬 포트를 사용하십시오.
 100G QSFP28 O-Band DWDM 25KM  SM LC Transceiver 100G QSFP28 O-밴드 DWDM 25KM SM LC 트랜시버
RQ-100GDO25-XXXX 시리즈 단일 모드 트랜시버 모듈은 표준 G.652 단일 모드 광섬유(SMF)를 통해 최대 25km 거리의 다중 채널 100GbE 전송을 위해 설계되었습니다. 이 트랜시버는 CW-WDM MSA에서 지정한 1295.56nm~1312.58nm의 공칭 DWDM 파장에서 100Gbps의 데이터 전송 속도로 작동합니다. 이 모듈은 25Gbps(NRZ) 전기 입력 데이터 4개 채널을 100Gbps(PAM4) 광 신호 1개 채널로 변환하고, 100Gbps(PAM4) 광 신호 1개 채널을 25Gbps(NRZ) 전기 출력 데이터 4개 채널로 변환할 수 있습니다. 이 모듈의 전기 인터페이스는 OIF CEI-28G-VSR 및 QSFP28 MSA를 준수합니다. RQ-100GDO25-XXXX 시리즈 QSFP28 100G O-Band DWDM 25KM SM LC 트랜시버 DWDM 네트워킹 장비를 대도시 접속 및 코어 네트워크에 배치하도록 설계되었습니다.
1x2 Fiber Optical Switch 12채널 1×2 광 스위치
특징 삽입 손실이 낮고 전환이 빠릅니다. RS232 제어 및 이더넷 RJ45 관리. 직렬 포트는 RS-232 암 인터페이스를 채택합니다. 광 경로 스위칭은 버튼, 직렬 포트, 네트워크 포트를 통해 제어할 수 있습니다. 그리고 명령어를 통해 키를 잠그면 작동할 수 있습니다.
 32Channels FWDM TX CATV 1550nm RX PON 1310/1490nm & XGS-PON 1270/1577nm LC/UPC 1U Rack 32채널 FWDM TX CATV 1550nm RX PON 1310/1490nm & XGS-PON 1270/1577nm LC/UPC 1U 랙
This 32-channel FWDM module integrates CATV 1550nm transmission with PON 1310/1490nm and XGS-PON 1270/1577nm reception for FTTH/FTTX networks. Using TFF technology, it features low insertion loss (≤0.8dB), high isolation (≥30dB), and stable performance in harsh environments (-40°C to 85°C). The 1U rack design with LC/UPC connectors supports hybrid signal transmission. Two models offer reflection isolation of ≥15dB (A) or 20dB (B), suitable for CATV, optical amplifiers, and fiber access systems.
 40G QSFP+ to 4x10G SFP+ Transponder Service Board 40G QSFP+ ~ 4x10G SFP+ 트랜스폰더 서비스 보드
제품 특징 DWDM 전송 및 파장 변환을 지원합니다. 단일 보드는 40Gbit/s 양방향 비즈니스 액세스의 1개 채널을 지원합니다. 비즈니스 데이터의 투명한 전송. 핫스왑 지원. FEC 기능을 지원하고, 출력을 최적화하며, DDM 신호 모니터링은 물론 링크 감지(수신 광이 없을 때 전송 안 함)도 가능합니다. CLI(Telnet 및 콘솔), 웹, NetView(그래픽 인터페이스) 등의 관리 인터페이스를 갖춘 SNMP 기반 통합 네트워크 관리 플랫폼을 지원합니다.
100G QSFP28 Bidi optical transceiver 100GBASE-LR 양방향 QSFP28 1280/1310nm 20km LC SM 광 트랜시버 모듈
100G QSFP28 BIDI 광 트랜시버 모듈은 단일 코어 SMF(단일 모드 광섬유)를 사용하여 장거리 데이터 통신 및 상호 연결 애플리케이션을 위한 단순 LC 커넥터 인터페이스가 있는 플러그형 광 트랜시버입니다..
2.5G SFP Transceiver 2.5G SFP CWDM 80km 광트랜시버
특징: 최대 2.67Gb/s 데이터 링크 핫플러그 가능 이중 LC 커넥터 9/125μm SMF에서 최대 80km CWDM DFB 레이저 송신기 APD 수신기 단일 +3.3V 전원 공급 장치 SFF-8472를 준수하는 모니터링 인터페이스 최대 전력 <1W 산업/확장/상업 작동 온도 범위: -40°C ~ 85°C/-5°C ~ 85°C/-0°C ~ 70°C 버전 사용 가능 RoHS 준수 및 무연 신청: 기가비트 이더넷 파이버 채널 스위치 인프라 라우터/서버 인터페이스 기타 광전송 시스템
메시지를 남겨주세요
메시지를 남겨주세요
IF 우리의 제품에 관심이 있으시고 자세한 내용을 알고 싶습니다. 여기에 메시지를 남겨주세요, 우리는 최대한 빨리 당신을 회신 할 것입니다.

제품

~에 대한

연락하다