1.25Gb/s 40km DWDM SFP 트랜시버

1.25Gb/s 40km DWDM SFP 트랜시버

응용 분야:

  • 1G 파이버 채널
  • DWDM 네트워크
  • 파이버 채널
  • 제품 상세 정보

1.25Gb/s 40km DWDM SFP 트랜시버

핫 플러그 가능, 듀플렉스 LC, +3.3V, 100GHz, DWDM 냉각 DFB&PIN, 싱글 모드

1.25Gb/s 40km DWDM SFP Transceiver

특징:

  • 핫플러깅 가능
  • 듀플렉스 LC 커넥터
  • 최대 2.67Gb/s 데이터 전송 속도
  • 100GHz ITU 그리드, C 대역
  • DWDM 냉각 DFB 송신기, PINTIA 광검출기
  • SMF는 최대 40km까지 연결 가능합니다.
  • SFF 8472 디지털 진단 모니터링 인터페이스를 준수하는 관리 사양용 2선 인터페이스
  • 전원 공급 장치: +3.3V
  • 소비 전력 <1.5W
  • 온도 범위: 0~70°C
  • RoHS 규정 준수

설명:

FIBERWDM의 RSPD-03D40-Cxx는 1.25Gb/s 직렬 광 통신 애플리케이션을 위한 매우 컴팩트한 1.25Gb/s 광 트랜시버 모듈입니다. RSPD-03D40-Cxx는 1.25Gb/s 직렬 전기 데이터 스트림을 2.67Gb/s 광 출력 신호로 변환하고, 1.25Gb/s 광 입력 신호를 1.25Gb/s 직렬 전기 데이터 스트림으로 변환합니다. 고속 2.67Gb/s 전기 인터페이스는 SFI 규격을 완벽하게 준수합니다.

고성능 DWDM 냉각식 DFB 송신기와 고감도 PINTIA 수신기는 최대 80km 링크에서 이더넷 애플리케이션에 탁월한 성능을 제공합니다.

SFF-8431 및 SFF-8432 규격을 준수하는 SFP 모듈은 SFF-8472에 명시된 바와 같이 2선 직렬 인터페이스를 통해 디지털 진단 기능을 사용할 수 있습니다.

완전한 SFP 규격 준수 폼 팩터는 핫 플러깅 기능, 손쉬운 광 포트 업그레이드 및 낮은 EMI 방출을 제공합니다.

절대 최대 등급

매개변수 상징 최소 전형적인 최대 단위
보관 온도 TS -40 +85 °C
케이스 작동 온도 고마워 0 70 °C
최대 공급 전압 Vcc -0.5 4 다섯
상대 습도 RH 0 85 %

전기적 특성 (상부 온도 = 0~70°C, VCC = 3.135~3.465V)

1.25g sfp transceiver

메모:

1. TX 데이터 입력 핀에 직접 연결됩니다. 핀에서 레이저 드라이버 IC로 AC 커플링이 이루어집니다.

2. SFF-8431 Rev 3.0에 따름

3. 100옴 차동 종단에 연결합니다.

4. 20%~80%

5. LOS는 오픈 컬렉터 출력입니다. 호스트 보드에 4.7kΩ ~ 10kΩ의 풀업 저항을 연결해야 합니다. 정상 작동 시에는 논리 0, 신호 손실 시에는 논리 1이 됩니다. 최대 풀업 전압은 5.5V입니다.

광학적 매개변수(상단 온도 = 0~70°C, VCC = 3.135~3.465V)

1.25g sfp transceiver

메모:

1. 평균 전력 수치는 참고용일 뿐입니다 (파이버 채널).

2. 12dB 반사.

3. OMA에 명시된 수신기 과부하 및 최악의 종합 스트레스 조건 하에서의 과부하.

타이밍 특성

1.25g sfp transceiver

핀 할당

호스트 보드 커넥터 블록 핀 번호 및 명칭 다이어그램

1.25g sfp transceiver

핀 기능 정의

40km DWDM SFP Transceiver

메모:

1. 모듈 접지 핀은 모듈 케이스와 절연되어야 합니다.

2. 이 핀은 오픈 컬렉터/드레인 출력 핀이며 호스트 보드의 Host_Vcc에 4.7K~10Kohms의 풀업 저항을 연결해야 합니다.

3. 이 핀은 모듈의 VccT에 4.7K~10Kohms의 풀업 저항으로 연결해야 합니다.

4. 이 핀은 오픈 컬렉터/드레인 출력 핀이며 호스트 보드의 Host_Vcc에 4.7K~10Kohms의 풀업 저항으로 연결해야 합니다.

SFP 모듈 EEPROM 정보 및 관리

SFP 모듈은 SFP-8472에 정의된 2선 직렬 통신 프로토콜을 구현합니다. SFP 모듈의 직렬 ID 정보와 디지털 진단 모니터(DDM) 파라미터는 I2C 인터페이스의 A0h 및 A2h 주소에서 접근할 수 있습니다. 메모리 맵은 표 1에 나와 있습니다. 자세한 ID 정보(A0h)는 표 2에, DDM 사양은 A2h 주소에 나와 있습니다. 메모리 맵 및 바이트 정의에 대한 자세한 내용은 SFP-8472 "광 트랜시버용 디지털 진단 모니터링 인터페이스"를 참조하십시오. DDM 파라미터는 내부적으로 보정되었습니다.

표 1. 디지털 진단 메모리 맵(구체적인 데이터 필드 설명)

40km DWDM SFP Transceiver

표 2 - EEPROM 일련 번호 메모리 내용(A0h)

40km DWDM SFP Transceiver

디지털 진단 모니터의 특징

40km DWDM SFP Transceiver

규정 준수

RSPD-03D40-Cxx는 국제 전자파 적합성(EMC) 및 국제 안전 요구 사항 및 표준을 준수합니다(자세한 내용은 다음 표 참조).

40km DWDM SFP Transceiver

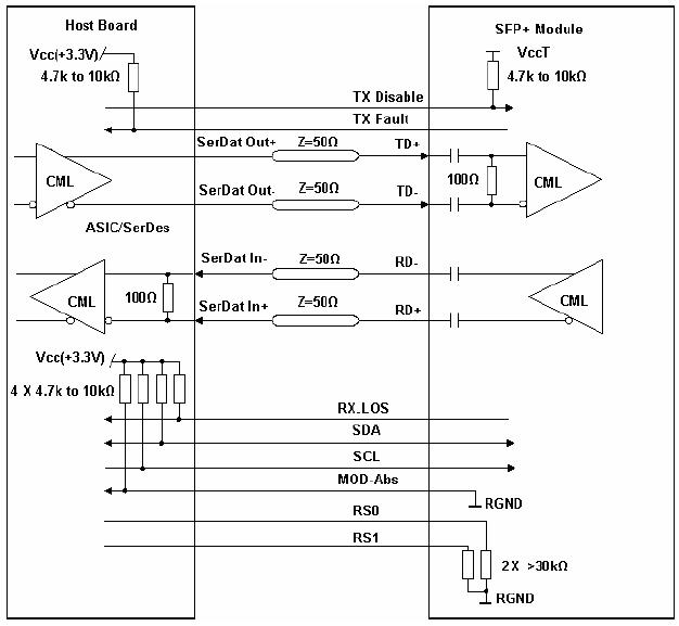
권장 회로

1.25Gb/s 40km DWDM SFP Transceiver

권장 호스트 보드 전원 공급 회로

1.25Gb/s 40km DWDM SFP Transceiver

권장 고속 인터페이스 회로

기계적 치수

1.25Gb/s 40km DWDM SFP Transceiver

주문 정보:

1.25Gb/s 40km DWDM SFP Transceiver 1.25Gb/s 40km DWDM SFP Transceiver

이 제품에 대해 알고 싶으신가요?

보내기 메시지
메시지를 남겨주세요

IF 우리의 제품에 관심이 있으시고 자세한 내용을 알고 싶습니다. 여기에 메시지를 남겨주세요, 우리는 최대한 빨리 당신을 회신 할 것입니다.

관련 제품
1.25G SFP  Transceiver 1.25g SFP 광학 송수신기
1.25g SFP 광학 송수신기 모듈, 지원 1.25GB / S 최대 120km 전송, SFP SR, SFP LR, SFP ER, SFP + ZR 등고속에서 작동합니다 IDC 연결 솔루션, 네트워크 스위치, PTN, OTN 그리고 그래서.
1.25G SFP  Transceiver 1.25g DWDM SFP 광학 송수신기
1.25g SFP 광학 송수신기 모듈, 지원 1.25GB / S 최대 120km 전송, SFP SR, SFP LR, SFP ER, SFP + ZR 등고속에서 작동합니다 IDC 연결 솔루션, 네트워크 스위치, PTN, OTN 그리고 그래서.
1.25G SFP  Transceiver 1.25g CWDM SFP 광학 송수신기
1.25g SFP 광학 송수신기 모듈, 지원 1.25GB / S 최대 120km 전송, SFP SR, SFP LR, SFP ER, SFP + ZR 등고속에서 작동합니다 IDC 연결 솔루션, 네트워크 스위치, PTN, OTN 그리고 그래서.
1.25G SFP  Transceiver 1.25g BIDI SFP 광학 송수신기
1.25g SFP 광학 송수신기 모듈, 지원 1.25GB / S 최대 120km 전송, SFP SR, SFP LR, SFP ER, SFP + ZR 등고속에서 작동합니다 IDC 연결 솔루션, 네트워크 스위치, PTN, OTN 그리고 그래서.
China SFP 1.25G 1270-1610nm CWDM 200KM DDM Optical Transceiver SFP 1.25G 1270-1610nm CWDM 200KM DDM 광 트랜시버
1.25G SFP 광 트랜시버 모듈, 1.25Gb/s 및 최대 200km 전송 지원 특징: 최대 1.25Gb/s 데이터 링크 핫플러그 가능 듀플렉스 LC 커넥터 9/125μm SMF에서 최대 200km 1270~1610nm CWDM DFB 레이저 송신기 APD 수신기 단일 +3.3V 전원 공급 장치 SFF-8472를 준수하는 모니터링 인터페이스 최대 전력 <1W 상용 작동 온도 범위: -0°C ~ 70°C 버전 사용 가능 RoHS 준수 및 무연 신청: 메트로/액세스 네트워크 1.25Gb/s 1000Base-EZX 이더넷 1×파이버 채널 기타 광학 링크
SFP 1.25G DWDM 180KM Transceiver SFP 1.25G C17-C61 DWDM 180KM DDM 광 트랜시버
1.25G SFP 광 트랜시버 모듈, 1.25Gb/s 및 최대 180km 전송 지원 특징: 핫플러그 가능 듀플렉스 LC 커넥터 최대 1.25Gb/s 데이터 속도 100GHz ITU 그리드, C 대역 DWDM 냉각 DFB 송신기, APD 광검출기 SMF는 최대 180km를 연결합니다. SFF 8472 디지털 진단 모니터링 인터페이스를 준수하는 관리 사양을 위한 2선식 인터페이스 전원 공급 장치: +3.3V 전력 소비<1.5W 온도 범위: 0~ 70°C RoHS 준수 신청: 1G 파이버 채널 DWDM 네트워크 파이버 채널
China SFP 1.25G 1550nm 200KM DDM Optical Transceiver SFP 1.25G 1550nm 200KM DDM 광 트랜시버
1.25G SFP 광 트랜시버 모듈, 1.25Gb/s 200km 전송 지원, 고속 IDC 연결 솔루션, 네트워크 스위치, PTN, OTN 등에서 작동합니다. 특징: 최대 1.25Gb/s 데이터 링크 핫플러그 가능 듀플렉스 LC 커넥터 최대 200km on9/125μmSMF 1550nm냉각 DFB레이저 송신기 APD 수신기 단일 +3.3V 전원 공급 장치 SFF-8472를 준수하는 모니터링 인터페이스 최대 전력<1.5W 작동 온도 범위: 상업: 0°C ~ 70°C, 산업: -40°C ~ +85°C RoHS 준수 및 무연 신청: 메트로/액세스 네트워크 1.25Gb/s 1000Base-EZX 이더넷 1×파이버 채널 기타 광학 링크
China SFP 1.25G 1270-1610nm CWDM 150KM DDM Optical Transceiver SFP 1.25G 1270-1610nm CWDM 150KM DDM 광 트랜시버
1.25G SFP 광 트랜시버 모듈, 1.25Gb/s 및 최대 150km 전송 지원 특징: 최대 1.25Gb/s 데이터 링크 핫플러그 가능 듀플렉스 LC 커넥터 9/125μm SMF에서 최대 150km 1270~1610nm CWDM DFB 레이저 송신기 APD 수신기 단일 +3.3V 전원 공급 장치 SFF-8472를 준수하는 모니터링 인터페이스 최대 전력 <1W 상용 작동 온도 범위: -0°C ~ 70°C 버전 사용 가능 RoHS 준수 및 무연 신청: 메트로/액세스 네트워크 1.25Gb/s 1000Base-EZX 이더넷 1×파이버 채널 기타 광학 링크
메시지를 남겨주세요
메시지를 남겨주세요
IF 우리의 제품에 관심이 있으시고 자세한 내용을 알고 싶습니다. 여기에 메시지를 남겨주세요, 우리는 최대한 빨리 당신을 회신 할 것입니다.

제품

~에 대한

연락하다